Journal of Agricultural Science and Technology ›› 2024, Vol. 26 ›› Issue (1): 89-98.DOI: 10.13304/j.nykjdb.2022.0650

• INTELLIGENT AGRICULTURE & AGRICULTURAL MACHINERY • Previous Articles     Next Articles

Diagnosis of Crop Disease Based on Multi-task Learning

Guo ZHENG1(), Yusong JIANG2()   

  1. 1.College of Biology and Food Engineering,Chongqing Three Gorges University,Chongqing 404000,China
    2.College of Landscape and Life Sciences,Chongqing University of Arts and Sciences,Chongqing 402100,China
  • Received:2022-08-09 Accepted:2022-11-13 Online:2024-01-15 Published:2024-01-08
  • Contact: Yusong JIANG

基于多任务学习农作物叶片病害诊断方法

郑果1(), 姜玉松2()   

  1. 1.重庆三峡学院生物与食品工程学院,重庆 404000
    2.重庆文理学院园林与生命科学学院,重庆 402100
  • 通讯作者: 姜玉松
  • 作者简介:郑果 E-mail:zhengguo@qq.com
  • 基金资助:
    国家自然科学基金项目(31501273)

Abstract:

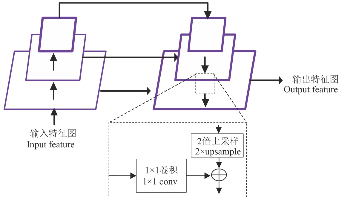
In order to judge the severity of crop diseases quickly and accurately, a novel online remote diagnosis method was proposed based on multi-task learning in this paper. The classic model MobileNetV3 was improved by introducing convolutional block attention module and feature pyramid module to boost the performance of the recognition of crops, diseases and pests, and disease levels. Besides, some data augment methods were adopted to extend the small samples. The performance of the improved model and other image recognition models in the identification of crop disease was tested, and the performance of different models with and without data enhancement processing was explored. The results showed that the mean average precision of proposed method on such 3 tasks was more than that of the original model by 1.38, 2.24 and 2.03 percentage points, respectively, and the average recall of proposed method on such 3 tasks was more than that of the original model by 2.38, 1.62 and 1.18 percentage points, respectively. The proposed method outperformed the state-of-the-art methods, such as MobileNetV3, InceptionV3 and YOLOv7.

Key words: intelligent agriculture, disease recognition, deep learning, convolutional neural network, multi-task learning

摘要:

为了快速、准确判别农作物叶片病害图像的病害类型及病害程度,提出基于多任务学习的诊断方法。引入通道和空间注意力模型,对经典的MobileNetV3网络模型进行改进,并在此基础上构建基于特征金字塔的多任务深度卷积神经网络模型,实现作物类型、病害类型和病害程度的精准识别。采用多种图像增强方法对农作物叶片病害图像进行扩展,对改进前后模型与其他图像识别模型在农作物病害叶片识别性能上进行对比试验,并探究在有无数据增强处理条件下不同模型的性能。结果表明:该模型在作物类型识别、病害类型识别与病害程度识别任务上,平均准确率比原模型分别提升1.38、2.24和2.03个百分点;召回率比原模型分别提升2.38、1.62和1.18个百分点;对比MobileNetV3,InceptionV3、YOLOv7模型,该模型在上述3个任务上平均识别准确率和召回率均达到最高。

关键词: 智慧农业, 病害识别, 深度学习, 卷积神经网络, 多任务学习

CLC Number: