Journal of Agricultural Science and Technology ›› 2025, Vol. 27 ›› Issue (10): 118-133.DOI: 10.13304/j.nykjdb.2025.0044
• INTELLIGENT AGRICULTURE & AGRICULTURAL MACHINERY • Previous Articles
Zhihao HUANG(), Chengfang LU, Yanrong CUI(
), Ronghua HU
Received:
2025-01-20
Accepted:
2025-07-10
Online:
2025-10-15
Published:
2025-10-15
Contact:
Yanrong CUI
通讯作者:
崔艳荣
作者简介:
黄志豪 E-mail:2023710688@yangtzeu.edu.cn;
基金资助:
CLC Number:
Zhihao HUANG, Chengfang LU, Yanrong CUI, Ronghua HU. YOLO-AP: a Lightweight Apple Fruit Detection Algorithm Based on Improved YOLO11n[J]. Journal of Agricultural Science and Technology, 2025, 27(10): 118-133.
黄志豪, 卢承方, 崔艳荣, 胡蓉华. YOLO-AP:基于改进YOLO11n的轻量级苹果果实检测算法[J]. 中国农业科技导报, 2025, 27(10): 118-133.
Add to citation manager EndNote|Ris|BibTeX
URL: https://nkdb.magtechjournal.com/EN/10.13304/j.nykjdb.2025.0044
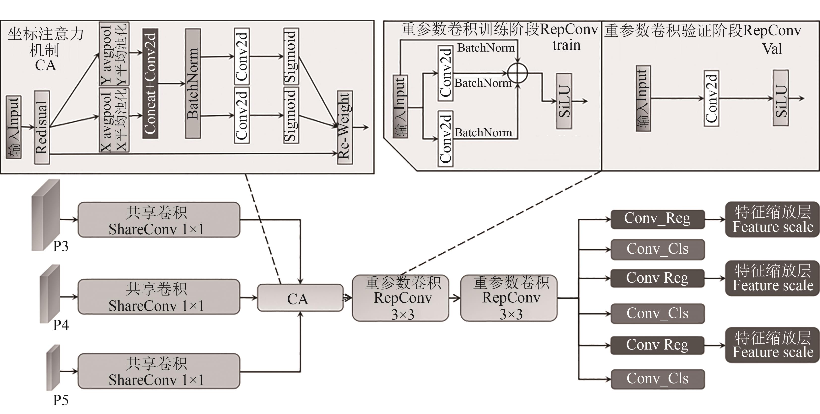
Fig. 5 GL-DSFN structureNote:The blue block represents the input feature map, while the green and yellow blocks denote the intermediate results and final output results after upsampling and ADown downsampling, respectively.
参数Parameter | 数值Value | 参数Parameter | 数值Value |
---|---|---|---|
随机种子Random seed | 0 | 训练轮数Epoch | 300 |
输入图像大小Input size | 640×640 | 训练批次Batchsize | 32 |
初始学习率Orignal learn rate | 10-2 | 动量因子Momentum factor | 0.937 |
优化器Optimizer | SGD | 早停次数Early stop | 100 |
Table 1 Training hyperparameter settings
参数Parameter | 数值Value | 参数Parameter | 数值Value |
---|---|---|---|
随机种子Random seed | 0 | 训练轮数Epoch | 300 |
输入图像大小Input size | 640×640 | 训练批次Batchsize | 32 |
初始学习率Orignal learn rate | 10-2 | 动量因子Momentum factor | 0.937 |
优化器Optimizer | SGD | 早停次数Early stop | 100 |
编号 Number | C3K2模块 C3K2 module | 颈部网络 Neck network | 检测头 Detect head | 损失函数 Loss function | 参数量 Params/M | 浮点运算量 FLOPs/G | 精确率 Precision/% | 召回率 Recall /% | 平均精确率 mAP50/% |
---|---|---|---|---|---|---|---|---|---|
GD-C3K2 | GL-DSFN | RepCoord-LDH | WiseIOUv3 | ||||||
1 | - | - | - | - | 2.6 | 6.6 | 88.6 | 89.0 | 95.1 |
2 | √ | - | - | - | 2.3 | 5.5 | 89.2 | 89.7 | 95.4 |
3 | √ | √ | - | - | 1.5 | 4.4 | 89.1 | 89.5 | 95.8 |
4 | √ | √ | √ | - | 1.4 | 3.6 | 88.9 | 88.8 | 95.7 |
5 | √ | √ | √ | √ | 1.4 | 3.6 | 89.1 | 88.9 | 96.1 |
Table 2 Results of ablation experiments
编号 Number | C3K2模块 C3K2 module | 颈部网络 Neck network | 检测头 Detect head | 损失函数 Loss function | 参数量 Params/M | 浮点运算量 FLOPs/G | 精确率 Precision/% | 召回率 Recall /% | 平均精确率 mAP50/% |
---|---|---|---|---|---|---|---|---|---|
GD-C3K2 | GL-DSFN | RepCoord-LDH | WiseIOUv3 | ||||||
1 | - | - | - | - | 2.6 | 6.6 | 88.6 | 89.0 | 95.1 |
2 | √ | - | - | - | 2.3 | 5.5 | 89.2 | 89.7 | 95.4 |
3 | √ | √ | - | - | 1.5 | 4.4 | 89.1 | 89.5 | 95.8 |
4 | √ | √ | √ | - | 1.4 | 3.6 | 88.9 | 88.8 | 95.7 |
5 | √ | √ | √ | √ | 1.4 | 3.6 | 89.1 | 88.9 | 96.1 |
颈部网络 Neck network | 参数量 Params/M | 浮点运算量 FLOPs/G | 精确率 Precision/% | 召回率 Recall /% | 平均精确率 mAP50/% |
---|---|---|---|---|---|
PANet(YOLO11n) | 2.3 | 5.5 | 89.2 | 89.7 | 95.4 |
BiFPN | 1.8 | 5.7 | 88.9 | 89.4 | 94.9 |
SlimNeck | 2.4 | 5.6 | 88.5 | 89.2 | 95.3 |
AFPN | 1.9 | 5.9 | 89.0 | 89.1 | 95.1 |
GL-DSFN | 1.5 | 4.4 | 89.1 | 89.5 | 95.8 |
Table 3 Comparison of different feature fusion methods in neck network
颈部网络 Neck network | 参数量 Params/M | 浮点运算量 FLOPs/G | 精确率 Precision/% | 召回率 Recall /% | 平均精确率 mAP50/% |
---|---|---|---|---|---|
PANet(YOLO11n) | 2.3 | 5.5 | 89.2 | 89.7 | 95.4 |
BiFPN | 1.8 | 5.7 | 88.9 | 89.4 | 94.9 |
SlimNeck | 2.4 | 5.6 | 88.5 | 89.2 | 95.3 |
AFPN | 1.9 | 5.9 | 89.0 | 89.1 | 95.1 |
GL-DSFN | 1.5 | 4.4 | 89.1 | 89.5 | 95.8 |
检测头 Detect head | 参数量 params/M | 浮点运算量 FLOPs/G | 精确率 Precision/% | 召回率 Recall/% | 平均精确率 mAP50/% |
---|---|---|---|---|---|
YOLO11-Head | 2.6 | 6.6 | 89.1 | 89.5 | 95.8 |
DyHead | 2.3 | 5.5 | 88.3 | 88.4 | 95.5 |
LM-YOLO | 1.4 | 3.7 | 88.1 | 87.2 | 95.1 |
RepCoord-LDH | 1.4 | 3.6 | 88.9 | 88.8 | 95.7 |
Table 4 Comparison result of lightweight detection head
检测头 Detect head | 参数量 params/M | 浮点运算量 FLOPs/G | 精确率 Precision/% | 召回率 Recall/% | 平均精确率 mAP50/% |
---|---|---|---|---|---|
YOLO11-Head | 2.6 | 6.6 | 89.1 | 89.5 | 95.8 |
DyHead | 2.3 | 5.5 | 88.3 | 88.4 | 95.5 |
LM-YOLO | 1.4 | 3.7 | 88.1 | 87.2 | 95.1 |
RepCoord-LDH | 1.4 | 3.6 | 88.9 | 88.8 | 95.7 |
损失函数 Loss function | 精确率 Precision/% | 召回率 Recall /% | 平均精确率 mAP50/% |
---|---|---|---|
CIoU(YOLO11n) | 88.8 | 88.6 | 95.7 |
DIoU | 87.7 | 88.1 | 95.3 |
GIoU | 88.8 | 85.5 | 95.2 |
WiseIoUv3 | 89.1 | 88.9 | 96.1 |
Table 5 Comparison result of loss functions
损失函数 Loss function | 精确率 Precision/% | 召回率 Recall /% | 平均精确率 mAP50/% |
---|---|---|---|
CIoU(YOLO11n) | 88.8 | 88.6 | 95.7 |
DIoU | 87.7 | 88.1 | 95.3 |
GIoU | 88.8 | 85.5 | 95.2 |
WiseIoUv3 | 89.1 | 88.9 | 96.1 |
模型名称 Model name | 参数量 Params/M | 浮点运算量 FLOPs/G | 精确率 Precision/% | 召回率 Recall/% | 平均精确率 mAP50/% | 单批次帧 |
---|---|---|---|---|---|---|
Faster R-CNN | 60.1 | 246.3 | 82.1 | 86.2 | 88.7 | 39.5 |
SSD | 26.3 | 99.5 | 83.6 | 85.3 | 89.4 | 70.1 |
RT-DETR-R18 | 20.1 | 58.6 | 89.6 | 88.6 | 94.6 | 110.6 |
YOLOv5n | 1.9 | 4.5 | 88.2 | 87.9 | 94.5 | 193.8 |
YOLOv6n | 4.6 | 11.3 | 88.7 | 88.4 | 93.1 | 98.6 |
YOLOv7tiny | 5.7 | 13.0 | 89.0 | 87.2 | 92.4 | 167.5 |
YOLOv8n | 3.1 | 8.1 | 87.7 | 89.2 | 94.6 | 284.5 |
YOLOv9tiny | 2.2 | 7.8 | 88.3 | 88.4 | 94.1 | 116.5 |
YOLOv10n | 2.6 | 8.2 | 89.2 | 88.0 | 94.9 | 149.8 |
YOLO11n | 2.6 | 6.6 | 88.6 | 89.0 | 95.1 | 181.2 |
YOLO-AP | 1.4 | 3.6 | 89.1 | 88.9 | 96.1 | 189.6 |
Table 6 Comparison of detection models
模型名称 Model name | 参数量 Params/M | 浮点运算量 FLOPs/G | 精确率 Precision/% | 召回率 Recall/% | 平均精确率 mAP50/% | 单批次帧 |
---|---|---|---|---|---|---|
Faster R-CNN | 60.1 | 246.3 | 82.1 | 86.2 | 88.7 | 39.5 |
SSD | 26.3 | 99.5 | 83.6 | 85.3 | 89.4 | 70.1 |
RT-DETR-R18 | 20.1 | 58.6 | 89.6 | 88.6 | 94.6 | 110.6 |
YOLOv5n | 1.9 | 4.5 | 88.2 | 87.9 | 94.5 | 193.8 |
YOLOv6n | 4.6 | 11.3 | 88.7 | 88.4 | 93.1 | 98.6 |
YOLOv7tiny | 5.7 | 13.0 | 89.0 | 87.2 | 92.4 | 167.5 |
YOLOv8n | 3.1 | 8.1 | 87.7 | 89.2 | 94.6 | 284.5 |
YOLOv9tiny | 2.2 | 7.8 | 88.3 | 88.4 | 94.1 | 116.5 |
YOLOv10n | 2.6 | 8.2 | 89.2 | 88.0 | 94.9 | 149.8 |
YOLO11n | 2.6 | 6.6 | 88.6 | 89.0 | 95.1 | 181.2 |
YOLO-AP | 1.4 | 3.6 | 89.1 | 88.9 | 96.1 | 189.6 |
模型 Model | 精确率 Precision/% | 召回率 Recall/% | 平均精确率 mAP50/% |
---|---|---|---|
YOLO11n | 68.5 | 63.0 | 68.3 |
YOLO-AP | 69.0 | 66.1 | 69.2 |
Table 7 Generalization comparison test results of MinneApple datasetom
模型 Model | 精确率 Precision/% | 召回率 Recall/% | 平均精确率 mAP50/% |
---|---|---|---|
YOLO11n | 68.5 | 63.0 | 68.3 |
YOLO-AP | 69.0 | 66.1 | 69.2 |
[1] | 张放.2023年我国主要水果产量再创新高[J]. 中国果业信息, 2024, 41(6): 55. |
[2] | 陈青, 吴玄博, 殷程凯, 等. 苹果机械化采收技术与装备研究现状[J]. 林业工程学报, 2025, 10(3): 13-24. |
CHEN Q, WU X B, YIN CHENG K, et al.. Research status of apple mechanized harvesting technology and equipment [J]. J. For. Eng., 2025, 10(3): 13-24. | |
[3] | 马锋旺. 中国苹果产业发展的思考:现状、问题与出路[J]. 落叶果树, 2023, 55(4): 1-4. |
MA F W. Reflections on the development of China’s apple industry: current situation, problems, and solutions [J]. Deciduous Fruits, 2023, 55(4): 1-4. | |
[4] | 王艳,祁萌.基于遗传算法和阈值分割的夜间苹果识别方法[J]. 机械设计与研究, 2020, 36(3): 220-225, 233. |
WANG Y, QI M. Apple recognition at night based on genetic algorithm and threshold segmentation [J]. Mach. Des.Res.,2020, 36(3): 220-225, 233. | |
[5] | 林海波, 卢元栋, 丁荣诚, 等. 基于图像处理与改进SVM的苹果多特征融合分级方法[J]. 山东农业科学, 2022, 54(6):141-149. |
LIN H B, LU Y D, DING R C, et al.. A multi-feature fusion classification method for apple based on image processing and improved SVM [J]. Shandong Agric. Sci., 2022, 54(6): 141-149. | |
[6] | 于慧杰, 李大华, 高强, 等. 自然环境中重叠与遮挡绿苹果图像的识别[J]. 激光杂志, 2020(2): 20-24. |
YU H J, LI D H, GAO Q, et al.. Recognition of overlapping and occluding green apple images in natural environment [J]. Laser J., 2020(2): 20-24. | |
[7] | GIRSHICK R, DONAHUE J, DARRELL T. Rich feature hierarchies for accurate object detection and semantic segmentation [C]//Proceedings of the IEEE Conference on Computer Vision and Pattern Recognition. 2014: 580-587. |
[8] | GIRSHICK R.Fast R-CNN [C]//2015 IEEE International Conference on Computer Vision (ICCV).IEEE, 2015:1440-1448. |
[9] | TIAN Z, SHEN C, CHEN H, et al.. FCOS:a simple and strong anchor-free object detector [J].IEEE Trans. Pattern Anal. Mach. Intell., 2022, 44(4): 1922-1933. |
[10] | REDMON J, DIVVALA S, GIRSHICK R, et al.. You only look once:unified, real-time object detection [C]//2016 IEEE Conference on Computer Vision and Pattern Recognition (CVPR).IEEE,2016: 779-788. |
[11] | REDMON J, FARHADI A. YOLO9000: better, faster, stronger[C]//2017 IEEE Conference on Computer Vision and Pattern Recognition (CVPR). IEEE, 2017: 6517-6525. |
[12] | FARHADI A, REDMON J. Yolov3: an incremental improvement [C]//Computer Vision and Pattern Recognition. Springer, 2018, 1804: 1-6. |
[13] | 石展鲲, 杨风, 韩建宁, 等. 基于Faster-RCNN的自然环境下苹果识别[J]. 计算机与现代化, 2023(2): 62-65. |
SHI Z K, YANG F, HAN J N,et al.. Apples recognition in natural environment based on faster-RCNN [J]. Comput. Mod., 2023(2): 62-65. | |
[14] | LIU Y K, YANG G P, HUANG Y W, et al.. SE-mask R-CNN:an improved mask R-CNN for apple detection and segmentation [J]. J. Intell. Fuzzy Syst., 2021, 41(6): 6715-6725. |
[15] | WU L, MA J, ZHAO Y H, et al.. Apple detection in complex scene using the improved YOLOv4 model [J/OL]. Agronomy, 2021, 11(3): 476 [2024-12-28].. |
[16] | SUN L J, HU G R, CHEN C, et al.. Lightweight apple detection in complex orchards using YOLOV5-PRE [J/OL].Horticulturae, 2022, 8(12): 1169 [2024-12-28]. . |
[17] | CHEN C Y, LIU M-Y, TUZEL O, et al.. R-CNN for small object detection [C]//Computer Vision-ACCV Cham: Springer International Publishing, 2017: 214-230. |
[18] | LIU S, QI L, QIN H F, et al.. Path aggregation network for instance segmentation [C]//2018 IEEE/CVF Conference on Computer Vision and Pattern Recognition. IEEE, 2018: 8759-8768. |
[19] | HAN K, WANG Y, GUO J, et al.. ParameterNet: parameters are all you need for large-scale visual pretraining of mobile networks [C]//Proceedings of the IEEE/CVF Conference on Computer Vision and Pattern Recognition. 2024: 15751-15761. |
[20] | TAN M, PANG R, LE Q V. Efficientdet: scalable and efficient object detection [C]//Proceedings of the IEEE/CVF conference on computer vision and pattern recognition. 2020: 10781-10790. |
[21] | WANG C Y, YEH I H, MARK LIAO H Y. YOLOv9:learning what you want to learn using programmable gradient information [C]// Proceedings of Computer Vision-ECCV 2024.Cham: Springer Nature Switzerland, 2024: 1-21. |
[22] | LI X R, XU G X, ZHAO M, et al.. Encoder activation diffusion and decoder transformer fusion network for medical image segmentation [C]//Pattern Recognition and Computer Vision.Singapore: Springer Nature Singapore, 2023: 185-197. |
[23] | HOU Q B, ZHOU D Q, FENG J S. Coordinate attention for efficient mobile network design [C]//2021 IEEE/CVF Conference on Computer Vision and Pattern Recognition (CVPR). IEEE, 2021: 13708-13717. |
[24] | DING X H, ZHANG X Y, MA N N, et al.. RepVGG:making VGG-style ConvNets great again [C]//2021 IEEE/CVF Conference on Computer Vision and Pattern Recognition (CVPR).IEEE, 2021: 13728-13737. |
[25] | TONG Z, CHEN Y, XU Z, et al.. Wise-IoU: bounding box regression loss with dynamic focusing mechanism [J/OL]. arXiv Preprint arXiv, 2023, 2301: 10051 [2024-12-28]. . |
[26] | 王娜, 陈勇, 崔艳荣, 等. 基于改进轻量化YOLO v5n的番茄叶片病害识别方法[J]. 江苏农业科学, 2024, 52(8): 192-199. |
[27] | 王志东, 陈晨阳, 刘晓明. 基于自适应特征提取的通信光缆缺陷检测方法[J]. 图学学报, 2025, 46(2): 241-248. |
WANG Z D, CHEN C Y, LIU X M. Defect detection method of communication optical cable based on adaptive feature extraction [J]. J. Graph., 2025, 46(2): 241-248. | |
[28] | 闫建红, 冉同霄. 基于YOLOv8的轻量化无人机图像目标检测算法[J]. 图学学报, 2024, 45(6): 1328-1337. |
YAN J H, RAN T X. Lightweight UAV image target detection algorithm based on YOLOv8 [J]. J. Graph., 2024, 45(6): 1328-1337. | |
[29] | LI H, LI J, WEI H, et al.. Slim-neck by GSConv: a better design paradigm of detector architectures for autonomous vehicles [J/OL]. arXiv Preprint arXiv: 2022, 2206: 02424 [2024-12-28]. . |
[30] | YANG G Y, LEI J, ZHU Z K, et al.. AFPN:asymptotic feature pyramid network for object detection [C]//2023 IEEE International Conference on Systems, Man, and Cybernetics (SMC). IEEE, 2023: 2184-2189. |
[31] | DAI X Y, CHEN Y P, XIAO B,et al.. Dynamic head:unifying object detection heads with attentions [C]//2021 IEEE/CVF Conference on Computer Vision and Pattern Recognition (CVPR). IEEE, 2021: 7369-7378. |
[32] | LIU W, ANGUELOV D, ERHAN D,et al.. SSD:single shot MultiBox detector [C]//Computer Vision-ECCV 2016.Cham: Springer International Publishing, 2016: 21-37. |
[33] | ZHAO Y A, LYU W Y, XU S L, et al..DETRs beat YOLOs on real-time object detection [C]//2024 IEEE/CVF Conference on Computer Vision and Pattern Recognition (CVPR). IEEE, 2024: 16965-16974. |
[34] | SELVARAJU R R, COGSWELL M, DAS A, et al.. Grad-CAM:visual explanations from deep networks via gradient-based localization [C]//2017 IEEE International Conference on Computer Vision (ICCV). IEEE, 2017: 618-626. |
[35] | HANI N, ROY P, ISLER V. MinneApple: a benchmark dataset for apple detection and segmentation [J]. IEEE Robot. Autom. Lett., 2020, 5(2): 852-858. |
[36] | 魏晓宇. 苹果采摘目标检测与机械臂路径规划技术研究[D]. 济南: 山东大学, 2024. |
WEI X Y. Research on apple picking object detection and path planning technology of manipulator [D]. Ji’nan: Shandong University, 2024. |
[1] | Zheng WU, Hongyun YANG, Aizhen SUN, Jie KONG, Shumei HUANG. Diagnosis of Potassium Nutrition in Rice Based on CA_MobileViT Model [J]. Journal of Agricultural Science and Technology, 2025, 27(8): 80-88. |
[2] | Guangyao LI, Shenglong YANG, Tianfei CHENG, Xuesen CUI, Weifeng ZHOU, Shengmao ZHANG. Analysis of Environmental Characteristics and Forecast Status of Tuna Fisheries in Central and Western Pacific [J]. Journal of Agricultural Science and Technology, 2025, 27(5): 203-221. |
[3] | Zili CHEN, Wei LIN, Jia HE, Laigang WANG, Guoqing ZHENG, Yilong PENG, Jiadong JIAO, Yan GUO. Research Progress on Crop Diseases Identification Based on Convolutional Neural Network [J]. Journal of Agricultural Science and Technology, 2025, 27(4): 99-109. |
[4] | Zhuoran XING, Songshuang DING, Kai ZHANG, Ming MA, Wenlong GUO, Xudong LIU, Xiangdong SHI. Research Progress of Deep Learning and Computer Vision in Tobacco Leaf Production [J]. Journal of Agricultural Science and Technology, 2025, 27(1): 96-106. |
[5] | Guoyu HU, Yalan DONG, Gulbahar Tohti, Guang LIU, Jianping ZHOU. Research on Grapevine Structure Segmentation Method Based on Machine Vision [J]. Journal of Agricultural Science and Technology, 2024, 26(9): 105-111. |
[6] | Xiaofei XIONG, Xiuqin WANG, Cuizhen ZHUANG, Jiaxian GUO, Xinrui XIE, Jianwei WU, Qifeng LI. Research on Diagnostic Method of Citrus Anthracnose Based on Image ROI Fusion Feature [J]. Journal of Agricultural Science and Technology, 2024, 26(9): 83-92. |
[7] | Huiping JIN, Haiwen MOU, Teng LIU, Jialin YU, Xiaojun JIN. Bok Choy and Weed Identification Based on Deep Convolutional Neural Networks [J]. Journal of Agricultural Science and Technology, 2024, 26(8): 122-130. |
[8] | Zhiyuan ZHU, Haifeng WANG, Bin LI, Wenwen ZHAO, Jun ZHU, Nan JIA, Yuliang ZHAO. Research Progress of Deep Learning in Typical Behavior Recognition of Livestock and Poultry [J]. Journal of Agricultural Science and Technology, 2024, 26(10): 110-124. |
[9] | Mingkang PENG, Yu CUI, Qiyuan XUE, Yunzhen YIN, Zhe YIN, Wuping ZHANG, Fuzhong LI. Weed Identification and Location for Crop at Seedling Stage Based on Enhancing and Fine-tuning Weather Data [J]. Journal of Agricultural Science and Technology, 2024, 26(10): 125-134. |
[10] | Guo ZHENG, Yusong JIANG. Diagnosis of Crop Disease Based on Multi-task Learning [J]. Journal of Agricultural Science and Technology, 2024, 26(1): 89-98. |
[11] | Kaiyan LIN, Fei MEI, Junhui WU, Wengang GUO, Jie CHEN, Huiping SI. Design and Research of Crop Disease Monitoring Service Platform Based on Computer Vision [J]. Journal of Agricultural Science and Technology, 2023, 25(6): 89-96. |
[12] | Chao YANG, Haibin HAN, Bo WEI, Heng ZHANG, Chen SHANG, Bing SU, Siyuan LIU, Peiwei JIANG, Delong XIANG. Construction of Method for Age Identification of Sardinops sagax in the North Pacific Ocean [J]. Journal of Agricultural Science and Technology, 2023, 25(4): 225-233. |
[13] | Yue ZHAO, Yong WEI, Huiyong SHAN, Zhimin MU, ZHANGJianxin, Haiyun WU, Hui ZHAO, Jianlong HU. Wheat Ear Detection Method Based on Deep Learning [J]. Journal of Agricultural Science and Technology, 2022, 24(9): 96-105. |
[14] | Haitao LIU, Xin HAN, Yubin LAN, Lili YI, Baoju WANG, Lihua CUI. Precise Recognition Method of Cotton Top Buds Based on YOLOv4 Network [J]. Journal of Agricultural Science and Technology, 2022, 24(8): 99-108. |
[15] | Jianwei WU, Jie HUANG, Xiaofei XIONG, Han GAO, Xiangyang QIN. Research and Application of Intelligent Recognition Method of Peach Tree Diseases Based on AI [J]. Journal of Agricultural Science and Technology, 2022, 24(5): 111-118. |
Viewed | ||||||
Full text |
|
|||||
Abstract |
|
|||||