Journal of Agricultural Science and Technology ›› 2022, Vol. 24 ›› Issue (10): 90-98.DOI: 10.13304/j.nykjdb.2021.0770
• INTELLIGENT AGRICULTURE & AGRICULTURAL MACHINERY • Previous Articles Next Articles
Wenbin GUO1(), Yao LI1, Zhanghua HUANG1, Jianqiang DU1(
), Shanzhu QIAN1, Zemin HE1, Jingjing GAO2
Received:
2021-09-02
Accepted:
2022-01-18
Online:
2022-10-15
Published:
2022-10-25
Contact:
Jianqiang DU
郭文斌1(), 李瑶1, 黄长华1, 杜建强1(
), 钱珊珠1, 何泽民1, 高晶晶2
通讯作者:
杜建强
作者简介:
郭文斌 E-mail:wenbingwb2000@ sina.com;
基金资助:
CLC Number:
Wenbin GUO, Yao LI, Zhanghua HUANG, Jianqiang DU, Shanzhu QIAN, Zemin HE, Jingjing GAO. Physical Field Analysis and Structure Optimization of Solar Hot Air Dryer Based on COMSOL[J]. Journal of Agricultural Science and Technology, 2022, 24(10): 90-98.
郭文斌, 李瑶, 黄长华, 杜建强, 钱珊珠, 何泽民, 高晶晶. 基于COMSOL的干燥箱物理场分析与结构优化[J]. 中国农业科技导报, 2022, 24(10): 90-98.
Add to citation manager EndNote|Ris|BibTeX
URL: https://nkdb.magtechjournal.com/EN/10.13304/j.nykjdb.2021.0770
对象 Object | 参数 Parameter |
---|---|
进风口 Air inlet | 风速Wind velocity:5, 7, 10 m·s-1 |
出风口 Air outlet | 压力 Pressure: 0 Pa |
箱壁 Drying box wall | 无滑移 No slip |
进风口温度 Air inlet temperature | 312 K(39 ℃) |
Table 1 Parameters of boundary conditions setting
对象 Object | 参数 Parameter |
---|---|
进风口 Air inlet | 风速Wind velocity:5, 7, 10 m·s-1 |
出风口 Air outlet | 压力 Pressure: 0 Pa |
箱壁 Drying box wall | 无滑移 No slip |
进风口温度 Air inlet temperature | 312 K(39 ℃) |
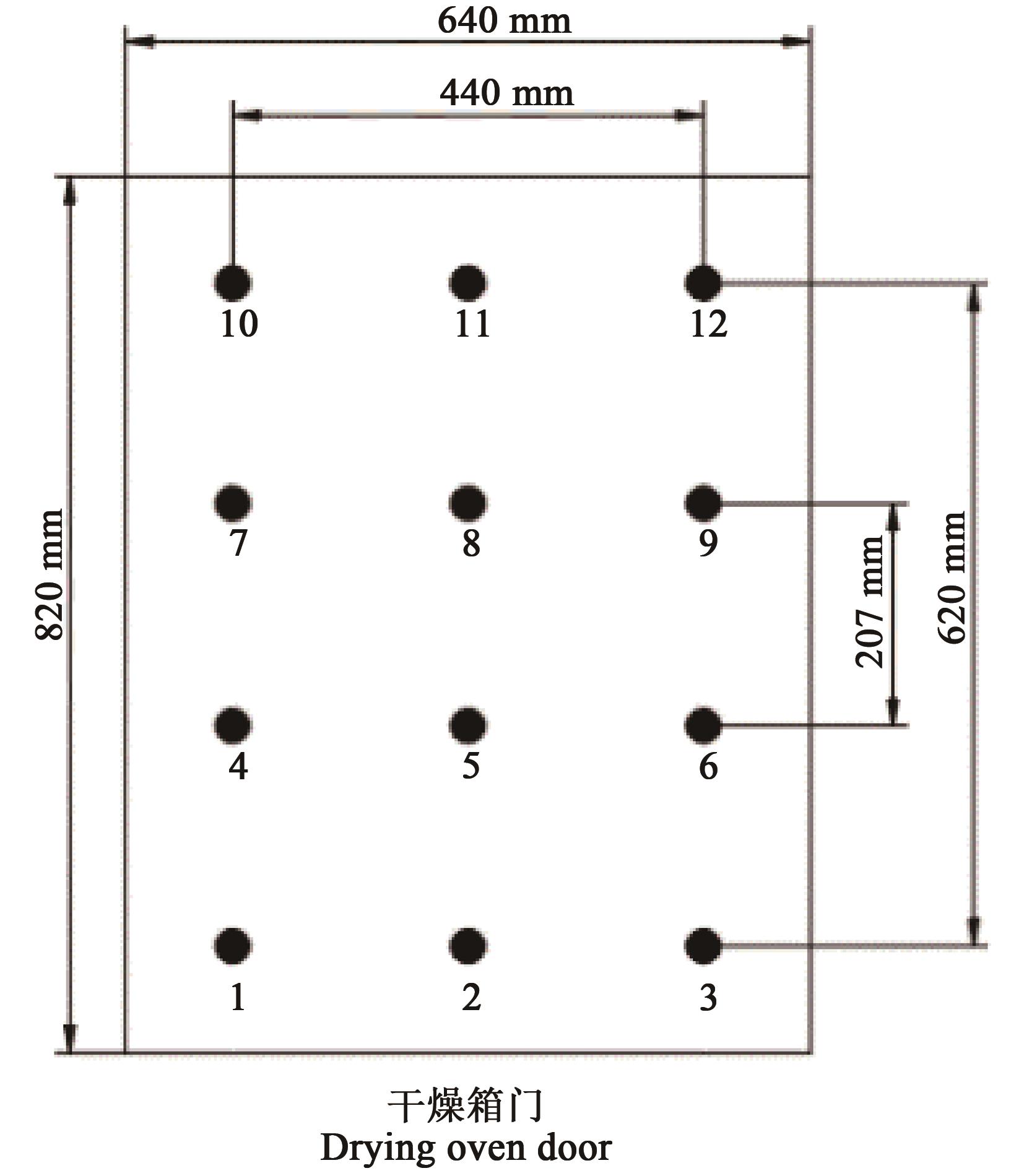
进风口风速 Wind velocity/(m·s-1) | 层高 Layer height/mm | 平均风速 Average wind velocity/(m·s-1) | 风速场不均匀 系数M/% | 平均温度 Average temperature/℃ | 温度场不均匀 系数Tv/% |
---|---|---|---|---|---|
5 | 150 | 0.54 | 80.68 | 38.60 | 1.29 |
450 | 0.76 | 79.70 | 38.55 | 1.30 | |
750 | 0.67 | 73.98 | 38.50 | 1.30 | |
7 | 150 | 0.77 | 78.10 | 35.29 | 0.72 |
450 | 0.85 | 63.31 | 35.60 | 1.40 | |
750 | 0.82 | 64.12 | 35.34 | 1.28 | |
10 | 150 | 0.87 | 86.28 | 37.53 | 0.63 |
450 | 0.75 | 86.32 | 37.50 | 0.56 | |
750 | 0.78 | 85.26 | 37.34 | 0.71 |
Table 2 Distribution of wind velocity and temperature and their non-uniformity coefficients in different layers of drying box
进风口风速 Wind velocity/(m·s-1) | 层高 Layer height/mm | 平均风速 Average wind velocity/(m·s-1) | 风速场不均匀 系数M/% | 平均温度 Average temperature/℃ | 温度场不均匀 系数Tv/% |
---|---|---|---|---|---|
5 | 150 | 0.54 | 80.68 | 38.60 | 1.29 |
450 | 0.76 | 79.70 | 38.55 | 1.30 | |
750 | 0.67 | 73.98 | 38.50 | 1.30 | |
7 | 150 | 0.77 | 78.10 | 35.29 | 0.72 |
450 | 0.85 | 63.31 | 35.60 | 1.40 | |
750 | 0.82 | 64.12 | 35.34 | 1.28 | |
10 | 150 | 0.87 | 86.28 | 37.53 | 0.63 |
450 | 0.75 | 86.32 | 37.50 | 0.56 | |
750 | 0.78 | 85.26 | 37.34 | 0.71 |
进风口风速 Air inlet wind velocity /(m·s-1) | M:不均匀系数Non-uniformity coefficient/% | ||
---|---|---|---|
150 mm | 450 mm | 750 mm | |
5 | 77.7 | 61.4 | 66.6 |
7 | 85.0 | 56.1 | 55.9 |
10 | 84.2 | 55.8 | 55.7 |
Table 3 Non-uniformity coefficient of wind velocity field of drying box under the COMSOL model
进风口风速 Air inlet wind velocity /(m·s-1) | M:不均匀系数Non-uniformity coefficient/% | ||
---|---|---|---|
150 mm | 450 mm | 750 mm | |
5 | 77.7 | 61.4 | 66.6 |
7 | 85.0 | 56.1 | 55.9 |
10 | 84.2 | 55.8 | 55.7 |
风速测点 编号 Serial number | 进风口风速 Air inlet wind velocity: 5 m·s-1 | 进风口风速 Air inlet wind velocity: 7 m·s-1 | 进风口风速 Air inlet wind velocity: 10 m·s-1 | ||||||||
---|---|---|---|---|---|---|---|---|---|---|---|
实测值 Measured value/(m·s-1) | 模拟值Simulation value/(m·s-1) | 误差 Error /% | 实测值 Measured value/(m·s-1) | 模拟值 Simulation value/(m·s-1) | 误差 Error /% | 实测值 Measured value/(m·s-1) | 模拟值 Simulation value/(m·s-1) | 误差 Error /% | |||
1 | 0.76 | 0.70 | 7.89 | 0.52 | 0.53 | 1.92 | 0.65 | 0.64 | 1.54 | ||
2 | 0.39 | 0.36 | 7.69 | 0.56 | 0.57 | 1.79 | 0.62 | 0.67 | 8.06 | ||
3 | 0.87 | 0.79 | 9.20 | 0.57 | 0.53 | 7.02 | 0.50 | 0.69 | 18.00 | ||
4 | 0.70 | 0.66 | 5.71 | 0.83 | 0.84 | 1.20 | 0.56 | 0.57 | 1.79 | ||
5 | 1.67 | 1.60 | 4.19 | 1.80 | 1.96 | 8.89 | 3.14 | 3.20 | 1.91 | ||
6 | 0.64 | 0.65 | 1.56 | 0.94 | 0.88 | 6.38 | 0.60 | 0.59 | 1.67 | ||
7 | 0.67 | 0.69 | 2.99 | 0.97 | 0.92 | 5.15 | 1.31 | 1.32 | 0.76 | ||
8 | 1.65 | 1.70 | 3.03 | 2.16 | 2.35 | 8.80 | 3.33 | 3.30 | 0.90 | ||
9 | 0.58 | 0.62 | 6.90 | 0.98 | 0.95 | 3.06 | 1.46 | 1.40 | 4.11 | ||
10 | 0.59 | 0.61 | 3.39 | 0.44 | 0.43 | 2.27 | 0.81 | 0.89 | 9.88 | ||
11 | 0.67 | 0.71 | 5.97 | 0.47 | 0.45 | 4.26 | 0.54 | 0.58 | 7.41 | ||
12 | 0.33 | 0.34 | 3.03 | 0.39 | 0.41 | 5.13 | 0.93 | 0.90 | 3.23 | ||
均值Mean | 0.84 | 0.84 | 4.09 | 1.00 | 1.02 | 5.02 | 1.41 | 1.42 | 4.94 |
Table 4 Comparison of measured and simulated wind velocities at different measurement points at 450 mm layer
风速测点 编号 Serial number | 进风口风速 Air inlet wind velocity: 5 m·s-1 | 进风口风速 Air inlet wind velocity: 7 m·s-1 | 进风口风速 Air inlet wind velocity: 10 m·s-1 | ||||||||
---|---|---|---|---|---|---|---|---|---|---|---|
实测值 Measured value/(m·s-1) | 模拟值Simulation value/(m·s-1) | 误差 Error /% | 实测值 Measured value/(m·s-1) | 模拟值 Simulation value/(m·s-1) | 误差 Error /% | 实测值 Measured value/(m·s-1) | 模拟值 Simulation value/(m·s-1) | 误差 Error /% | |||
1 | 0.76 | 0.70 | 7.89 | 0.52 | 0.53 | 1.92 | 0.65 | 0.64 | 1.54 | ||
2 | 0.39 | 0.36 | 7.69 | 0.56 | 0.57 | 1.79 | 0.62 | 0.67 | 8.06 | ||
3 | 0.87 | 0.79 | 9.20 | 0.57 | 0.53 | 7.02 | 0.50 | 0.69 | 18.00 | ||
4 | 0.70 | 0.66 | 5.71 | 0.83 | 0.84 | 1.20 | 0.56 | 0.57 | 1.79 | ||
5 | 1.67 | 1.60 | 4.19 | 1.80 | 1.96 | 8.89 | 3.14 | 3.20 | 1.91 | ||
6 | 0.64 | 0.65 | 1.56 | 0.94 | 0.88 | 6.38 | 0.60 | 0.59 | 1.67 | ||
7 | 0.67 | 0.69 | 2.99 | 0.97 | 0.92 | 5.15 | 1.31 | 1.32 | 0.76 | ||
8 | 1.65 | 1.70 | 3.03 | 2.16 | 2.35 | 8.80 | 3.33 | 3.30 | 0.90 | ||
9 | 0.58 | 0.62 | 6.90 | 0.98 | 0.95 | 3.06 | 1.46 | 1.40 | 4.11 | ||
10 | 0.59 | 0.61 | 3.39 | 0.44 | 0.43 | 2.27 | 0.81 | 0.89 | 9.88 | ||
11 | 0.67 | 0.71 | 5.97 | 0.47 | 0.45 | 4.26 | 0.54 | 0.58 | 7.41 | ||
12 | 0.33 | 0.34 | 3.03 | 0.39 | 0.41 | 5.13 | 0.93 | 0.90 | 3.23 | ||
均值Mean | 0.84 | 0.84 | 4.09 | 1.00 | 1.02 | 5.02 | 1.41 | 1.42 | 4.94 |
进风口风速 Air inlet wind velocity/(m·s-1) | M:分布不均匀系数Non-uniformity coefficient/% | |||
---|---|---|---|---|
550 mm | 850 mm | 1 150 mm | 1 450 mm | |
5 | 39.33 | 13.88 | 9.36 | 8.53 |
7 | 39.31 | 13.96 | 9.38 | 8.41 |
10 | 39.32 | 14.05 | 9.46 | 8.32 |
Table 5 Non-uniformity coefficients of wind velocity field under different inlet wind velocities
进风口风速 Air inlet wind velocity/(m·s-1) | M:分布不均匀系数Non-uniformity coefficient/% | |||
---|---|---|---|---|
550 mm | 850 mm | 1 150 mm | 1 450 mm | |
5 | 39.33 | 13.88 | 9.36 | 8.53 |
7 | 39.31 | 13.96 | 9.38 | 8.41 |
10 | 39.32 | 14.05 | 9.46 | 8.32 |
1 | IRASTEH G, SAIDUR R, RAHMAN S M A, et al.. A review on development of solar drying applications [J]. Renew.Sustain Energy Rev., 2014,31:133-148. |
2 | 钱珊珠,王春光,刘贵林,等.牧草固定深层太阳能干燥的试验[J].农业机械学报,2008,39(12):97-101. |
QIAN S Z, WANG C G, LIU G L, et al.. Experiment on temperature and moisture content of forage in deep bed solar drying process [J]. Trans. Chin. Soc. Agric. Mach., 2008, 39(12):97-101. | |
3 | FUDHOLI A, SOPIAN K, RUSLAN M H, et al.. Review of solar dryers for agricultural and marine products [J].Renew. Sustain Energy Rev., 2010,14(1):1-30. |
4 | SHALABY S M, BEK M A. Experimental investigation of a novel indirect solar dryer implementing PCM as energy storage medium [J]. Energy Conv. Manage., 2014, 83:1-8. |
5 | DARABI H, ZOMORODIAN A, AKBARI M H, et al.. Design a cabinet dryer with two geometric configurations using CFD [J]. J. Food Sci. Technol., 2015, 52(1):359-366. |
6 | VIJAYAN S, ARJUNAN T V, KUMAR A. Mathematical modeling and performance analysis of thin layer drying of bitter gourd in sensible storage based indirect solar dryer [J]. Innov. Food Sci. Emerg. Technol., 2016, 36:59-67. |
7 | NABNEAN S, JANJAI S, THEPA S, et al.. Experimental performance of a new design of solar dryer for drying osmotically dehydrated cherry tomatoes [J]. Renew. Energy,2016,94:147-156. |
8 | Singh P L. Silk cocoon drying in forced convection type solar dryer [J]. Appl. Energy,2011, 88(5):1720-1726. |
9 | 王健,董继先,王栋,等.果蔬干燥箱气流分配室的数值模拟与结构优化[J]. 陕西科技大学学报, 2019, 37(1):128-134. |
WANG J, DONG J X, WANG D, et al.. Numerical simulation and structure optimization of air distribution chamber in fruit and vegetable drying box [J]. J. Shaanxi Univ. Sci.,2019,37(1):128-134. | |
10 | 王少丹.苜蓿太阳能干燥箱结构对气流分布影响的研究[D].呼和浩特:内蒙古农业大学,2018:26-33. |
WANG S D. Study on the influence of solar drying box structure on air distribution in alfalfa [D]. Hohhot: Inner Mongolia Agricultural University,2018:26-33. | |
11 | 张鹏,樊啟洲,黄宇,等.小型太阳能热风油菜籽循环干燥设备研究[J].中国农业科技导报,2018, 20(2):72-79. |
ZHANG P, FAN Q Z, HUANG Y, et al.. Experimental research on a small rapeseed circulating dryer machine by solar hot air [J]. J. Agric. Sci. Technol., 2018,20(2):72-79. | |
12 | 殷存真,廖增强.太阳能复合干燥三七技术[J].云南农业,2016(7):86-87. |
YIN C Z, LIAO Z Q. Solar composite dry notoginseng technique [J]. Yunnan Agric., 2016(7):86-87. | |
13 | 戴素兰.一种太阳能作为辅助热源的农产品干燥装置:CN2018 21056004.1 [P].2019-04-02. |
14 | 黄继杰,赵小勇,章炯.太阳能干燥箱中风速场分析[J].机械工程师,2019, 341(11):50-52, 59. |
HUANG J J, ZHAO X Y, ZHANG J. Analysis of wind speed field in solar drying oven [J]. Mechan. Eng., 2019, 341(11):50-52, 59. | |
15 | 米争鹏,谭思超,李兴,等.棒束通道温度场可视化实验研究[J].原子能科学技术,2018,52(5):847-854. |
MI Z P, TAN S C, LI X, et al.. Visual experimental investigation of temperature field inside rod bundle [J]. Atom. Energy Sci. Tech.,2018,52(5):847-854. | |
16 | 赵朋飞,张小辉,张汉,等.非等温液-液对置撞击面温度分布均匀性[J].化工进展,2019,38(12):5297-5305. |
ZHAO P F, ZHANG X H, ZHANG H, et al.. Impact surface temperature distribution uniformity of non-isothermalliquid-liquid opposite impinging process [J]. Chem. Ind. Engin. Progr.,2019,38(12):5297-5305. | |
17 | 陈竹筠.玉米顺流干燥箱体内流场的数值分析与结构优化[D].大庆:黑龙江八一农垦大学,2019:24-25. |
CHEN Z Y. Fluid analysis and structure optimization of parallel flow field in corn drying section [D]. Daqing: Heilongjiang Bayi Agricultural University,2019:24-25. |
[1] | Xiang DAI, Haichao SONG, Chuan SU. Design and Experiment of Self-propelled Garlic Vertically-planting and Fertilizing Integrated Machine [J]. Journal of Agricultural Science and Technology, 2025, 27(9): 131-144. |
[2] | Huapeng HU, Xukun ZHANG, Jiajun CHEN, Yangyang PAN, Peilin YANG, Zhi LU. Structural Optimization and Moisture Content Simulation of Tea Residue Dual Axis Stirring Dryer [J]. Journal of Agricultural Science and Technology, 2025, 27(4): 120-132. |
[3] | Zimin CHEN, Jiangting MO, Guangsheng CHEN, Xiaoxuan GUO, Xianwen ZHU. Analysis and Optimization of the Airflow Field in a Head-air Heat Pump Dryer Based on Fluent [J]. Journal of Agricultural Science and Technology, 2024, 26(10): 135-144. |
[4] | Tingting SHI, Yulan LIAO, Xuyou PENG, Chenyu YUAN. Design and Optimization of Single Row In-line Cassava Planter [J]. Journal of Agricultural Science and Technology, 2022, 24(6): 115-122. |
[5] | ZHONG Runeng, ZHENG Qinhong, YAO Bin, XIANG Tai . Numerical Simulation for Effective Dielectric Properties of Cereal Grain Materials [J]. Journal of Agricultural Science and Technology, 2021, 23(9): 103-111. |
[6] | ZHOU Shuxian, SHI Yixin, JIANG Ping. Design and Test Verification of Two-stage Jet Mixer Based on CFD [J]. Journal of Agricultural Science and Technology, 2021, 23(6): 86-96. |
[7] | YANG Taotao, ZHOU Xingyu, LU Xiaoli, QIAN Shanhua, YU Jinghu. Particle Molding Simulation and Structural Parameter Optimization of Pellet Mill Based on Orthogonal Experiment [J]. Journal of Agricultural Science and Technology, 2021, 23(10): 90-96. |
[8] | XIAO Yao1,2, WU Mingliang1,2*, ZHANG Rui1, Mangeh III Fondzenyuy Cedric1. Simulation Analysis of Airflow Field Characteristics in Drying Cylinder of Rapeseed Spin Dryer [J]. Journal of Agricultural Science and Technology, 2019, 21(9): 77-83. |
[9] | SONG Haichao1,2, XU Youlin2*, ZHENG Jiaqiang2, DAI Xiang2. Simulation Optimization Analysis of Shrinking Tube pitch and Splitter Position of Rotating Jet Mixer [J]. Journal of Agricultural Science and Technology, 2019, 21(9): 84-89. |
[10] | ZHOU Dan1,2, GAO Yun1,3*, LEI Minggang3,4, LI Xuan1,3. Numerical Simulation of Carbon Dioxide Concentration in Piglets House in Winter [J]. Journal of Agricultural Science and Technology, 2019, 21(8): 90-98. |
[11] | TIAN Kunpeng, ZHANG Bin*, LI Xianwang, HUANG Jicheng, SHEN Cheng. Study on Die Hole Structure Design and Simulation Optimization of Fruit and Vegetable Skin Residue Granular Molding Machine [J]. Journal of Agricultural Science and Technology, 2018, 20(6): 62-68. |
Viewed | ||||||
Full text |
|
|||||
Abstract |
|
|||||