中国农业科技导报 ›› 2025, Vol. 27 ›› Issue (7): 101-110.DOI: 10.13304/j.nykjdb.2024.0052

• 智慧农业 农机装备 • 上一篇    下一篇

一种果园中耕避障除草机的设计与试验

奚小波(), 丁杰源, 张文帝, 史扬杰, 金亦富, 张瑞宏()   

  1. 扬州大学机械工程学院,江苏 扬州 225127
  • 收稿日期:2024-01-19 接受日期:2024-05-09 出版日期:2025-07-15 发布日期:2025-07-11
  • 通讯作者: 张瑞宏
  • 作者简介:奚小波 E-mail: xxbctg@126.com
  • 基金资助:
    江苏省农机三新工程项目(NJ2017-11);扬州大学“高端人才支持计划”项目

Design and Experiment of Orchard Obstacle Avoidance Weeding Cultivator

Xiaobo XI(), Jieyuan DING, Wendi ZHANG, Yangjie SHI, Yifu JIN, Ruihong ZHANG()   

  1. School of Mechanical Engineering,Yangzhou University,Jiangsu Yangzhou 225127,China
  • Received:2024-01-19 Accepted:2024-05-09 Online:2025-07-15 Published:2025-07-11
  • Contact: Ruihong ZHANG

摘要:

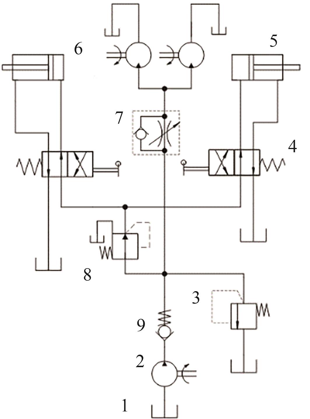
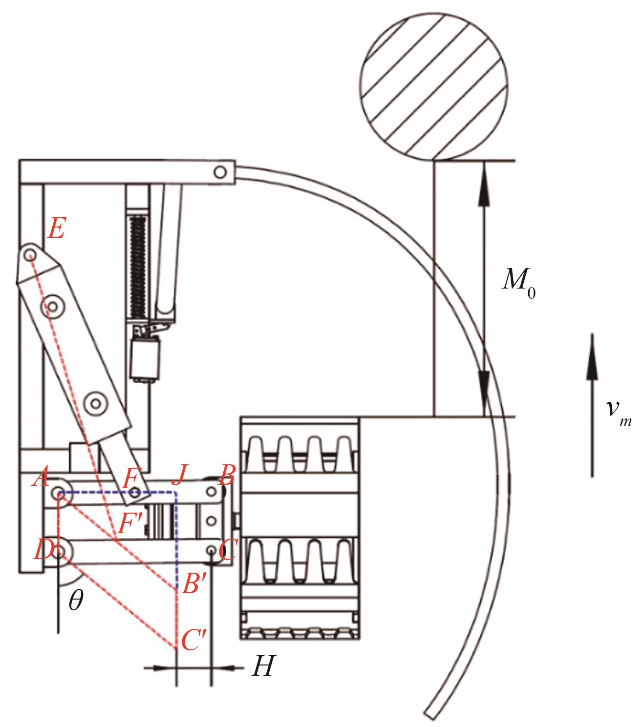
针对果园树干间杂草难去除的问题设计了一种果园中耕避障除草机,包括行间除草机构、株间除草机构、液压避障组件等,可实现行间和株间的中耕除草作业,通过触式弹簧避障杆联动液压缸驱动四连杆机构,实现株间除草机构的避障。利用EDEM软件以除草轮的转速、入土深度、行进速度为指标进行3因素3水平正交仿真试验和作业参数优化,最佳参数组合为:除草轮转速500 r·min-1、入土深度80 mm、前进速度1.2 m·s-1。样机田间试验表明,其除草作业的避障通过率100%,漏耕率3.44%,损伤率0%,平均耕深为80.9 mm,耕深稳定性系数为97.8%,生产率为0.86~1.38 hm2·h-1。研究结果可为果园中耕避障除草机设计提供参考。

关键词: 果园机械, 中耕, 株间除草, 离散元

Abstract:

An orchard obstacle avoidance inter-row weeding cultivator was designed to address the problem of difficult weed removal between the tree trunks in the orchard, which mainly included inter-row weeding mechanism, intra-row weeding mechanism, hydraulic obstacle avoidance components, and could achieve inter-row and intra-row cultivating and weeding operations. The obstacle avoidance of the intra-row weeding mechanism was achieved by the linkage of the touch spring obstacle avoidance rod and the hydraulic cylinder-driven four-bar linkage mechanism. Using EDEM software, three-factor three-level orthogonal simulation experiments and operational parameter optimization were conducted with weeding wheel rotation speed, soil tillage depth and forward speed as indicators. The optimal parameter combination was found as follows: the weeding wheel rotation speed of 500 r·min-1, the soil tillage depth of 80 mm, and the forward speed of 1.2 m·s-1. Field experiments of the prototype were conducted, with a weed avoidance rate of 100%, a missed tillage rate of 3.44%, no damage, an average tillage depth of 80.9 mm, a tillage depth stability coefficient of 97.8%, and a productivity ranging from 0.86 to 1.38 hm2·h-1. Above results could provide reference for the design of obstacle avoidance and weeding machines in orchards.

Key words: orchard machinery, cultivation, intra-row weeding, discrete element

中图分类号: